GI高真空蝶阀
- 销售:
- 销售:
- 传真:
详情介绍
- 产品介绍
- 服务承诺
- 订货流程
GI型系列高真空蝶阀是用来接通或切断真空管路中的气流。阀门开闭有锁定功能。
GI型系列高真空蝶阀适用的工作介质为空气和非腐蚀性气体。
主要技术性能
适用范围(Pa) | 105~1.3x10-5 |
阀门漏率(Pa.L/S) | ≤1.3x10-6 |
介质温度(℃) | -25~+80(密封材料为丁腈橡胶) |
气源压力(MPa) | 0.4~0.8 |
法兰标准 | JB919 |
安装位置 | 任意 |

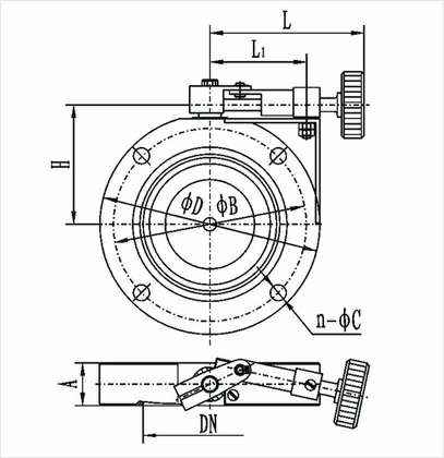
主要外形连接尺寸
型号 | 通径(DN) | ΦD | ΦB | H | A | L | n-ΦC |
GI-25 | 25 | 70 | 55 | 65 | 22 | 105 | 4-Φ7 |
GI-32 | 32 | 78 | 64 | 70 | 22 | 105 | 4-Φ7 |
GI-40 | 40 | 85 | 70 | 75 | 22 | 116 | 4-Φ7 |
GI-50 | 50 | 110 | 90 | 90 | 22 | 116 | 4-Φ9 |
GI-63 | 63 | 130 | 110 | 100 | 26 | 132 | 4-Φ9 |
GI-80 | 80 | 145 | 130 | 110 | 30 | 154 | 4-Φ9 |
GI-100 | 100 | 170 | 145 | 120 | 30 | 154 | 4-Φ12 |
GI-125 | 125 | 195 | 170 | 140 | 35 | 197 | 4-Φ12 |
GI-150 | 150 | 220 | 195 | 155 | 35 | 197 | 8-Φ12 |
GI-200 | 200 | 275 | 250 | 190 | 40 | 242 | 8-Φ12 |
GI-250 | 250 | 330 | 300 | 225 | 45 | 330 | 8-Φ12 |
GI-300 | 300 | 380 | 350 | 245 | 55 | 330 | 8-Φ14 |
GI-400 | 400 | 500 | 465 | 409 | 60 | 420 | 8-Φ18 |
注:GI-63法兰连接为GB/T6070标准
良好的品质、优良的服务 宝盈官网_宝盈(中国)一站式服务官网为你创造更多价值!
“宝盈官网_宝盈(中国)一站式服务官网”的期望,不断提升服务质量,精益求精,“真诚的服务”是“宝盈官网_宝盈(中国)一站式服务官网”永恒的主题。“宝盈官网_宝盈(中国)一站式服务官网”严格按照IS09001-2000 质量体系认证要求,质量严格把关, 责任到人,确保生产、销售、服务的健康运行。加强与用户沟通,竭诚为广大客户提供优良产品,至善至美服务。特此我厂做出以下承诺:
产品标准:
产品严格按照中国GB、HG 标准和美国API等标准设计、制造、验收。密封面硬度达到国家规定要求,宽度超过国家标准。
售前服务:
产品介绍,技术交流,非标产品设计,疑难解答。
售中服务:
守信合同,保证及时供货,随时保持与客户联系。 对特殊或复制的产品,我厂安排技术人员对用户进行产品使用、故障排除
售后服务:
1、“宝盈官网_宝盈(中国)一站式服务官网”牌产品品质期为自出厂起12个月,实行“三包”服务(包退、包换、保修)。
2、产品在使用中我厂定期组织技术、质检人员进行访问,征询用户对产品质量、 使用状况、改进意见等方面的反馈, 以便进一步提高产品质量。
3、对用户投诉质量问题,快速作出反应,售后服务人员在24-36小时(省外48小时)赶赴现场。
4、对售后服务,要求用户填写服务后的质量反馈信息表,并作出鉴定意见,以便提高宝盈官网_宝盈(中国)一站式服务官网的服务质量。
1、客户如对产品有特殊要求,须在订货合同中提供以下说明:
a、结构长度;
b、连接形式;
c、公称直径、全通径、缩径、管道尺寸;
d、运行介质及温度、压力范围;
e、试验、检验标准及其他要求
2、本厂可根据客户特定要求配置各类驱动装置。
3、如由客户提供确定的阀门类型和型号时,客户应正确说明其型号的含义和要求,在供需双方理解一致的条件下签订合同。
4、期货、订货的客户请先来电函详细告诉所需的阀门型号、规格、数量以及交货时间、地点,并按总的30%预定金或全额货款及时汇入我厂帐户,其余货款待发货前汇入,以便及时安排发货。
订单流程:
1、客户采购清单传真至,或来电咨询
2、收到客户采购清单,为客户提供阀门型号选型与报价(价格清单)。
3、具体商定:交货期、特殊要求等事宜。
订货须知:
1、客户如对产品有特殊要求,须在订货合同中提供以下说明:
|
|||||
|
|||||
2、本厂可根据客户特定要求配置各类驱动装置。
|
|||||
3、如由客户提供确定的阀门类型和型号时,客户应正确说明其型号的含义和要求,在供需双方理解一致的条件下签订合同。
|
|||||
4、期货、订货的客户请先来电函详细告诉所需的阀门型号、规格、数量以及交货时间、地点,并按总的30%预定金或全额货款及时汇入我厂账户, 其余货款待发货前汇入,以便及时安排发货。
|
售中服务:
守信合同,保证及时供货,随时保持与客户联系。
对特殊或复制的产品,我厂安排技术人员对用户进行产品使用、故障排除
售后服务:
1、“宝盈官网_宝盈(中国)一站式服务官网”产品品质期为自出厂起12个月,实行“三包”服务(包退、包换、保修)。
2、产品在使用中我厂定期组织技术、质检人员进行访问,征询用户对产品质量、使用状况、改进意见等方面的反馈,
以便进一步提高产品质量。
3、对用户投诉质量问题,快速作出反应,售后服务人员在24-36小时(省外48小时)赶赴现场。
4、对售后服务,要求用户填写服务后的质量反馈信息表,并作出鉴定意见,以便提高“宝盈官网_宝盈(中国)一站式服务官网”的服务质量。
声明 |
|